Зателефонуйте мені
Бухта
Бухта
Бухта
Бухта
Бухта
Бухта
Бухта
Бухта
Бухта
Бухта
Бухта
Бухта
Бухта
Бухта
Бухта
Бухта
Бухта
Бухта Бухта Бухта Бухта Бухта Бухта Бухта Бухта

Бухта

232 629,00 ₴
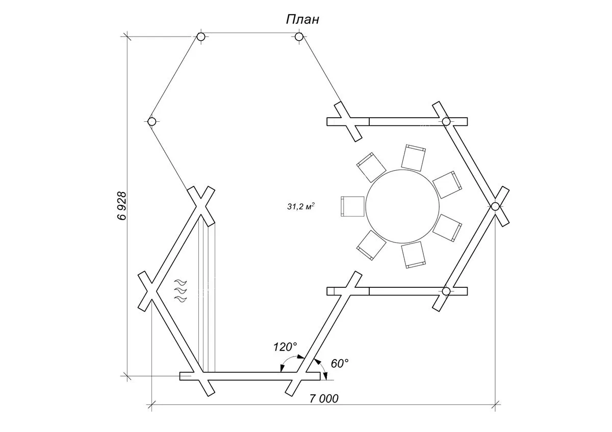
Готова альтанка з дерева 7 на 7 м з барбекю - «Бухта»
Розмір брусу
  • Оциліндрований 160
  • Оциліндрований 180
  • Оциліндрований 200
  • Оциліндрований 220
  • Профільований 60
  • Профільований 150
  • Профільований 200
  • Подвійний 300
  • Клеєний 120
  • Клеєний 180
Кількість поверхів
1
Площа
30.9
Ширина
6.9
Довжина
6.9
Садові та господарські споруди
Альтанки
Форми бесідок
Круглі бесідки
Особливості бесідок
Бесідки з мангалом
 

(Що входить в ціну)

Що входить в базову комплектацію

  • комплект стін;
  • комплект крокв;
  • комплект балок перекриття;
  • утеплювач міжвінцевий;
  • антисептик (антисептування всього матеріалу);
  • дубові нагеля;
  • кріпильні материали (саморізи, усадкові болти, анкера, кріпильні пластини);
  • гідроізоляція;
  • вогнебіозахист (обробка деревини засобом І групи вогнезахисної ефективності)

Альтанка з барбекю Бухта dominant-wood.com.ua/uk/proekty/748-bukhta надає максимум можливостей для найкомфортнішого відпочинку. Конструкція альтанки дозволяє організувати в ній навіть м’який куточок за круглим столом або поставити зручні дерев’яні лавочки по колу. Таким чином, якщо ви організуєте в альтанці застілля і покличете гостей, вони зручно помістяться в альтанці, всім вистачить місця, і ніхто не буде один одному заважати.

Що найприємніше в даному проекті, так це те, що можна одночасно готувати їжу і спілкуватися, не перериваючи приємних моментів в колі друзів суєтою біганини з кухні і назад. В альтанці Бухта легко і просто готується будь-яке бажане блюдо, так як в ній знаходиться закрита з трьох сторін топка з димоходом. Така конструкція печі-барбекю збільшує теплоізоляцію топки, що дає можливість використовувати жар вугілля найбільш продуктивно. Блюдо готується без зусиль на спеціальній полиці для готування між вогнищем і димарем. Залишається тільки затишно влаштуватися разом з веселою компанією друзів і спостерігати за язиками полум’я у вогнищі, насолоджуючись відмінним блюдом, приготованому на відкритому повітрі.

Альтанка з барбекю Бухта може прикрасити собою будь-який заміський комплекс відпочинку або ресторан. Вона здатна значно розширити спектр занять відпочиваючих і урізноманітнити послуги, пропоновані в комплексі відпочинку. Така альтанка якнайкраще організує місце для пікніків на природі на вашій власній присадибній ділянці. Саме тому найкраще рішення для придбання власної альтанки - це альтанка з барбекю Бухта від компанії «Домінант» dominant-wood.com.ua/.

Кількість поверхів
1
Площа
30.9
Ширина
6.9
Довжина
6.9
Садові та господарські споруди
Альтанки
Форми бесідок
Круглі бесідки
Особливості бесідок
Бесідки з мангалом

Базова комплектація:
(Що входить в ціну)

Що входить в базову комплектацію

  • комплект стін;
  • комплект крокв;
  • комплект балок перекриття;
  • утеплювач міжвінцевий;
  • антисептик (антисептування всього матеріалу);
  • дубові нагеля;
  • кріпильні материали (саморізи, усадкові болти, анкера, кріпильні пластини);
  • гідроізоляція;
  • вогнебіозахист (обробка деревини засобом І групи вогнезахисної ефективності)

123930 грн.

Дах (комплектність):

  • Рейка 100*25мм (cосна)
  • Контрейка 50*25мм (сосна)
  • Металочерепиця МОНТЕРРЕЙ (Польща) 0,45мм
  • Коник прямий
  • Планка примикання
  • Лобова (декоративна) планка
  • Вітровая планка
  • Яндола
  • Капельник (Карнизна планка)
  • Ущільнювач універсальный
  • Саморізи ОС 4.8х35
  • Фарба-спрей
  • Гідробар'єр
  • Монтаж

0 грн.

Вікна (комплектність):

  • Вікно VEKA 58, колір білий 10
  • Імпости вертикальні: 1 x 102103
  • Скління: СПО, 24мм, (Rсп=0.36)*
  • Тип фурнітури: Activpilot поворотно-відкидна, колір білий
  • Підбір спеціальний: Activ микровентиляція; Activ 2-функц. механ.
  • Моск.сітка: МС 3
  • Підвіконня: ВМ 110мм, колір білий
  • Підвіконня: ПВ ПВХ 150, заглушки: 600мм, колір білий
  • Монтаж

0 грн.

Двері (комплектність):

  • Полотно
  • Коробка
  • Лиштва
  • Карниз
  • Фарбування
  • Скло
  • Фурнітура
  • Врізка фурнітуры
  • Монтаж

31248 грн.

Фарбування (комплектність):

  • Шліфування торців
  • Тришарове покриття ефективним деревозахисним засобом на базі низькомолекулярної алкідної смоли методом розпилення.

Параметри забудови

  • Кількість поверхів: 1
  • Площа: 30.9

Розмір забудови

  • Ширина: 6.9
  • Довжина: 6.9

Перший поверх

Оциліндрований брус

Оциліндрований брус є найбільш оптимальним і поширеним матеріалом для будівництва дерев`яних будинків і бань, бесідок, альтанок, різноманітних садових меблів, дерев`яних конструкцій будь-яких видів. Дерев`яні будинки з оциліндрованого брусу відрізняються красою, всередині такого будинку завжди відчувається особлива затишна атмосфера.

Читати далі...

Профільований брус

Найсучаснішим і високотехнологічним будівельним матеріалом в дерев`яному будівництві на сьогоднішній день є профільований брус. Для виробництва профільованого брусу, звичайному дерев`яному брусу на спеціальному деревообробному обладнанні надається певний профіль.

Читати далі...

Подвійний брус з утепленням

Головна ідея застосування подвійного бруса полягала в досягненні енергоефективності житла. Над проектуванням енергозберігаючих будинків працюють провідні інженери та архітектори в різних країнах світу, запропонована фінами технологія подвійного бруса дає можливість звести до мінімуму тепловтрати будинку, а також об`єднує переваги будівництва дерев`яного будинку з економічністю споруди.

Читати далі...

Клеєний брус

Клеєний брус принципово відрізняється від інших типів колод багатошаровістю. Така структура робить цей дерев’яний матеріал надміцним і витривалим.

Читати далі...

Каркасні конструкції

Каркасні конструкції виготовляються на власних виробничих потужностях компанії «Домінант», з використанням сучасних деревообробних станків. Імпортне, високоточне обладнання дозволяє нам високоякісно виконувати свою роботу. Каркаси складаються зі струганих, ретельно висушених балок 150х50 мм (сосна першого сорту). Ці балки застосовуються для зовнішніх каркасів.

Читати далі...

Немає відгуків

Переглянуті товари

16 інших товарів в цій категорії:

Товар додано для порівняння.