Пікнік
- Кількість поверхів
- 1
- Площа
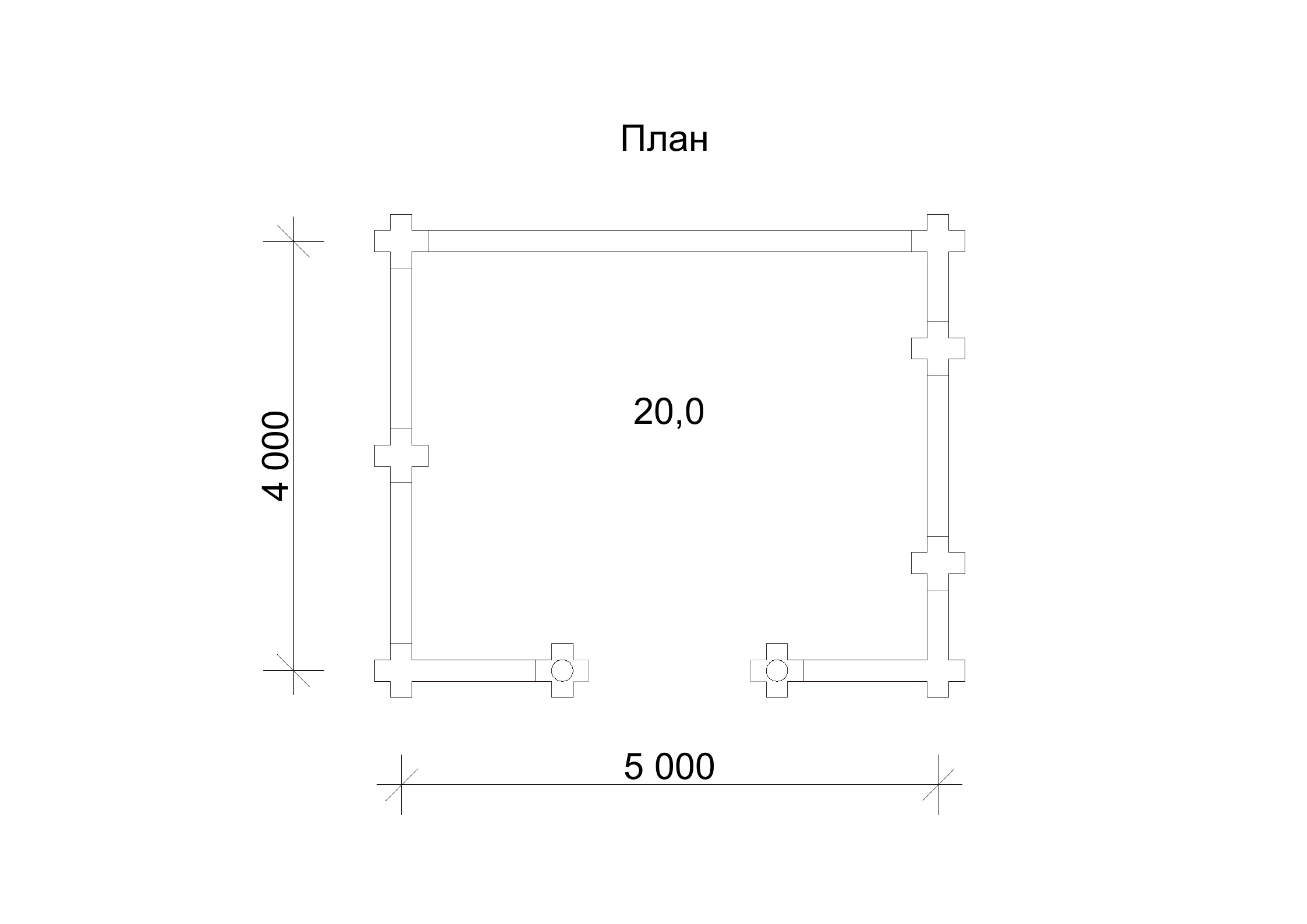
- 20
- Ширина
- 4
- Довжина
- 5
- Садові та господарські споруди
- Альтанки
Бесідки - Форми бесідок
- Прямокутні бесідки
- Розміри бесідок
- 4 на 5
(Що входить в ціну)
- комплект стін;
- комплект крокв;
- комплект балок перекриття;
- утеплювач міжвінцевий;
- антисептик (антисептування всього матеріалу);
- дубові нагеля;
- кріпильні материали (саморізи, усадкові болти, анкера, кріпильні пластини);
- гідроізоляція;
- вогнебіозахист (обробка деревини засобом І групи вогнезахисної ефективності)
Альтанка Пікнік - це дачна або садова альтанка на 12 місць, яка ідеально підходить для сімейного чаювання або веселого застілля в колі друзів. Представлена вашій увазі альтанка, є класичним проектом просторої, критої бесідки. Будь-яке, навіть незначне, місце на ділянці повинно бути максимально ефективно використано. Альтанка Пікнік якраз і є таким вагомим доповненням, яке не займає багато простору.
Дану конструкцію можна використовувати, як і для сімейних заходів, так і галасливих шашликів з друзями. При цьому, будь-яка негода вам не принесе незручностей і не порушить ваших планів. Облаштувати альтанку можна також зручними кріслами з пледами та коробкою настільних ігор. В умовах нинішньої комп’ютеризації приємно розважитися за допомогою знайомої монополії на свіжому повітрі, після важкого трудового тижня. Конструкція нескладна, при цьому впишеться в абсолютно будь-які умови, будь-то дача, заміський комплекс, літній табір або навіть двір багатоповерхового будинку. Обіграти такого роду альтанку можна по-різному: від простих і зручних диванів до установки настільного тенісу. Не дарма кажуть, що краса в простоті, до даної альтанки цей вислів є цілком доречним, адже така невелика на перший погляд споруда може виконувати незліченну кількість функцій і привнести на вашу ділянку затишок і користь.
Також простота і легкість, з якою компанія «Домінант» dominant-wood.com.ua/uk/ встановить вам дану альтанку не може не радувати. Виключно за справедливими цінами та з домінуванням комфорту, якості і краси!
- Кількість поверхів
- 1
- Площа
- 20
- Ширина
- 4
- Довжина
- 5
- Садові та господарські споруди
- Альтанки
Бесідки - Форми бесідок
- Прямокутні бесідки
- Розміри бесідок
- 4 на 5
Базова комплектація:
(Що входить в ціну)
- комплект стін;
- комплект крокв;
- комплект балок перекриття;
- утеплювач міжвінцевий;
- антисептик (антисептування всього матеріалу);
- дубові нагеля;
- кріпильні материали (саморізи, усадкові болти, анкера, кріпильні пластини);
- гідроізоляція;
- вогнебіозахист (обробка деревини засобом І групи вогнезахисної ефективності)
97200 грн.
Дах (комплектність):
- Рейка 100*25мм (cосна)
- Контрейка 50*25мм (сосна)
- Металочерепиця МОНТЕРРЕЙ (Польща) 0,45мм
- Коник прямий
- Планка примикання
- Лобова (декоративна) планка
- Вітровая планка
- Яндола
- Капельник (Карнизна планка)
- Ущільнювач універсальный
- Саморізи ОС 4.8х35
- Фарба-спрей
- Гідробар'єр
- Монтаж
0 грн.
Вікна (комплектність):
- Вікно VEKA 58, колір білий 10
- Імпости вертикальні: 1 x 102103
- Скління: СПО, 24мм, (Rсп=0.36)*
- Тип фурнітури: Activpilot поворотно-відкидна, колір білий
- Підбір спеціальний: Activ микровентиляція; Activ 2-функц. механ.
- Моск.сітка: МС 3
- Підвіконня: ВМ 110мм, колір білий
- Підвіконня: ПВ ПВХ 150, заглушки: 600мм, колір білий
- Монтаж
0 грн.
Двері (комплектність):
- Полотно
- Коробка
- Лиштва
- Карниз
- Фарбування
- Скло
- Фурнітура
- Врізка фурнітуры
- Монтаж
52080 грн.
Фарбування (комплектність):
- Шліфування торців
- Тришарове покриття ефективним деревозахисним засобом на базі низькомолекулярної алкідної смоли методом розпилення.
Оциліндрований брус
Оциліндрований брус є найбільш оптимальним і поширеним матеріалом для будівництва дерев`яних будинків і бань, бесідок, альтанок, різноманітних садових меблів, дерев`яних конструкцій будь-яких видів. Дерев`яні будинки з оциліндрованого брусу відрізняються красою, всередині такого будинку завжди відчувається особлива затишна атмосфера.
Профільований брус
Найсучаснішим і високотехнологічним будівельним матеріалом в дерев`яному будівництві на сьогоднішній день є профільований брус. Для виробництва профільованого брусу, звичайному дерев`яному брусу на спеціальному деревообробному обладнанні надається певний профіль.
Подвійний брус з утепленням
Головна ідея застосування подвійного бруса полягала в досягненні енергоефективності житла. Над проектуванням енергозберігаючих будинків працюють провідні інженери та архітектори в різних країнах світу, запропонована фінами технологія подвійного бруса дає можливість звести до мінімуму тепловтрати будинку, а також об`єднує переваги будівництва дерев`яного будинку з економічністю споруди.
Клеєний брус
Клеєний брус принципово відрізняється від інших типів колод багатошаровістю. Така структура робить цей дерев’яний матеріал надміцним і витривалим.
Каркасні конструкції
Каркасні конструкції виготовляються на власних виробничих потужностях компанії «Домінант», з використанням сучасних деревообробних станків. Імпортне, високоточне обладнання дозволяє нам високоякісно виконувати свою роботу. Каркаси складаються зі струганих, ретельно висушених балок 150х50 мм (сосна першого сорту). Ці балки застосовуються для зовнішніх каркасів.










