- Новини
- 0 вподобання
- 320 покази
- Споруди «Домінант» за кордоном, Готові проекти «Домінант»
Багато замовників, ознайомившись з роботою «Домінант», повертаються до нас знову і знову, замовляючи нові проєкти, та охоче радять будиночки нашого виробництва своїм друзям. Отже новий рік розпочинаємо з розповіді про черговий проєкт, реалізований в Німеччині, адже саме в цій країні нас дуже добре знають і на постійній основі роблять замовлення. Йдеться про двокімнатний будиночок «Меруна» невеликої площі - 48 м². Реалізовано цей проєкт в місті Зассенберг. Клієнт якраз завершив базову комплектацію і знаходиться в процесі завершення будиночку під ключ.
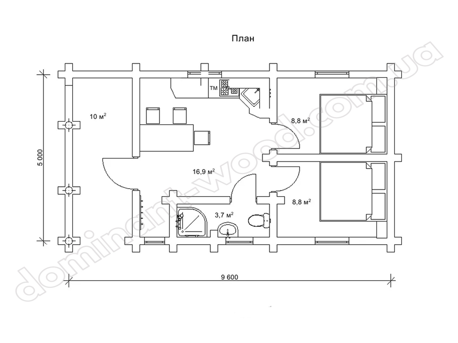
Проєкт двокімнатного будинку «Меруна»
Затишний будиночок «Меруна» з терасою та акуратними невеликими вікнами припаде до душі власникам дачних ділянок. Дерев’яний дім стане приємним місцем для відпочинку й відпустки подалі від міського шуму. Це класичний котедж з оциліндрованої колоди з максимально лаконічним дизайном – звичайний вибір для німецьких замовників, які полюбляють класичні, колодчасті зруби. Проста геометрія будівлі, стандартний двосхилий дах і компактні вікна роблять проєкт «Меруна» економним варіантом для дачі, а вартість будівництва приємно дивує.
Габарити споруди - 5×9,6 м. Тераса при вході має площу 10 м². Вона не розрахована на великі компанії, проте тут легко розмістити крісло або невеликий чайний столик і насолоджуватися відпочинком на свіжому повітрі. Внутрішнє планування будинку таке ж просте й продумане, як і його зовнішній вигляд. У проєкті передбачена кухня-студія площею 16,9 м², санвузол 3,7 м² та дві спальні по 8,8 м². Таке планування добре підходить для подружжя з дитиною. Дачний будиночок «Меруна» нагадує невелику казкову хатинку, яка прикрасить будь-яке подвір’я й додасть затишку ділянці. Більше того, «Меруна» уособлює собою класичний гостьовий котедж для готельного комплексу. Тобто його дуже вигідно можна використати в бізнес-цілях. Багато разів в Німеччину ми вже експортували комплекти лазень і гостьових котеджів, також неодноразово виготовляли зруби ресторанів. Гарним прикладом такої роботи слугує колоритний комплекс відпочинку в м.Ляйхлінген, про який ви дізнаєтесь детальніше в одній з публікацій нашого блогу.
Особливості замовлення домокомплекту «Меруна» в Німеччину
При виконанні замовлень ми завжди виготовляємо спочатку дерев’яний каркас будинку у базовій комплектації, детальний опис якої ви знайдете на кожній сторінці проєкту, та монтуємо його на підготовлений фундамент, якщо будівництво в Україні. Якщо ж мова йде про іншу країну, наприклад, Німеччину, куди ми відправили «Меруну», то дерев’яний комплект будинку збирають місцеві бригади, тому що українцям за кордон виїжджати заборонено через війну. Потім замовник самостійно доповнює будівлю необхідними деталями та оформлює котедж відповідно до власних побажань під ключ.
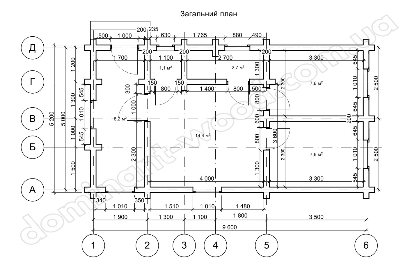
Вподобавши проєкт «Меруна», наш німецький замовник побажав дещо відкорегувати планування, щоб будиночок краще розташувався на його ділянці. Тому на плані, узгодженому з клієнтом, бачимо відзеркалення приміщень і деякі, незначні зміни розмірів. За бажанням клієнта комплект виконується з товстої оциліндрованої колоди 200 мм - тепло тримає добре, та й шум з вулиці майже не чути. Соснова колода сама по собі «дихає», тож у будинку комфортно в будь-яку пору року: немає задухи влітку й затишно взимку.
На сьогоднішній день будівельники клієнта в Німеччині завершили зборку базового комплекту, як добре видно зі світлин, надісланих клієнтом з локації забудови. Тепер будинок чекає фінішного оздоблення, а ми - нових фото від замовника. Як тільки будиночок буде завершено під ключ, ми обов’язково покажемо вам фінальний вигляд дерев’яного будиночку «Меруна» в Зассенберзі. А поки ще пропонуємо переглянути відео з будівництва зрубу.
Сосна, попередньо оброблена антисептичними засобами ще на нашому виробицтві, надійно захищена від утворення гнилі, грибка й плісняви як зовні, так і всередині будівлі. Варто також згадати унікальну властивість хвойних порід - виділення фітонцидів, природних антисептиків, які сприяють створенню здорової атмосфери в будинку та наповнюють простір приємним хвойним ароматом. Саме ці корисні характеристики дерева й переваги будинків зі зрубу високо цінуються як у нашій країні, так і за її межами, тому дерев’яне будівництво завжди залишається затребуваним. У нашому розділі «Статті» ви знайдете багато рекомендацій щодо вогнебіозахисту і оздоблення дерев’яних будинків. А будівництво двокімнатного котеджу «Меруна» вже скоро відкриє нашому замовнику усі переваги проживання і відпочинку в дерев'яному будинку.


















