- Новини
- 0 вподобання
- 1109 покази
- Індивідуальні проекти «Домінант», Споруди «Домінант» в Україні
Ми активно продовжуємо впровадження нових проектів та розширення каталогу дерев'яних будинків, які виробляються з використанням передових технологій. У випадку, якщо вам не вдається знайти відповідний проект у каталозі, індивідуальне будівництво на замовлення - це саме те, що вам потрібно! Ми готові втілити всі ваші бажання щодо створення комфортного житла та допомогти обрати передову технологію будівництва. Раді поділитися світлинами будинку з подвійного брусу і арболіту, що встановили наші майстри у селі Березівка Житомирського району.
Розробка проекту на основі індивідуального плану замовника
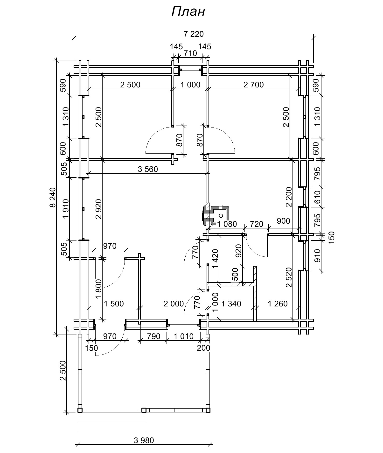
За запитом клієнта його план будинку містить один поверх і починається з невеличкого ґаночку під навісом. Це невеличкий, заміський котедж, параметри якого склали 7,8 на 6,8 м. Під час входу в будинок ви опиняєтеся в тепловому коридорчику-тамбурі, де передбачено місце для вуличного одягу. Далі сплановано вітальню і кухню. Також замовник побажав мати в котеджі дві житлові кімнати і санвузол. Використання одинарних перегородок між кімнатами для розподілу простору дозволяє економити кошти на будівництво та не займати додаткової площі в середині кімнати товстою стіною з подвійного брусу. І цього разу замовник вирішив застосувати одинарні перестінки в середині приміщення, а подвійний, утеплений брус тільки по периметру забудови.
Невигадливий, компактний дизайн будиночку з простим, двоскатним дахом, невеличкими вікнами та утепленими стінами повністю відповідає баченню наших клієнтів заміського комфорту. Основне, що привертає увагу замовників, які вибирають одноповерховий будинок - це можливість економії на матеріалах для стін, опаленні та легкість у будівництві одноповерхового зрубу (багато хто обирає дерев'яні комплекти для самостійної збірки). З цього випливає простота експлуатації та проведення ремонтних робіт, якщо раптом знадобиться виправити щось у будинку. У будинку з одним поверхом відсутні сходи, що означає, що відсутні будь-які обмеження в просторі через сходові проходи, і це робить його безпечним для руху навіть для маленьких дітей. Також слід враховувати, що люди похилого віку можуть зіткнутися з труднощами у постійному підніманні на другий поверх. Такі фактори, як вік та структура сім'ї, повинні бути враховані при розробці індивідуального проекту та визначенні кількості поверхів.
Цього разу клієнт вирішив побудувати свій власний одноповерховий будинок з двома кімнатами, керуючись важливими особистими вподобаннями та потребами. Однією з ключових мотивацій є бажання створити простір, який ідеально відповідає його стилю життя та враховує унікальні потреби й побажання. Одноповерховий план дозволяє забезпечити легкість переміщення та безпеку для усієї сім'ї, а вибір двох кімнат відображає практичність та функціональність приміщень, відповідаючи конкретним потребам замовника.
Особливості технології будівництва котеджу з утепленням
Для тих, хто прагне збудувати собі добротне, енергоефективне та екологічно безпечне житло, будинок з дерев'яного, утепленого брусу стане справді ідеальним вибором. Стіни будинку складаються з двох рядів соснового, профільованого бруса з арболітом всередині.
Арболіт складається виключно з органічного наповнювача, такого як деревна тирса, рисова або лляна солома, і цементу. На нашій виробництві використовується соснова тирса та цемент марки 400 або 500 з додаванням води і вапна. Важливо відзначити, що вапно відіграє ключову роль у виведенні глюкози з дерев'яних трісок, що робить їх непривабливими для комах і гризунів. Правильно підготовлений арболіт виявляється високоефективним утеплювачем, забезпечуючи ефективну теплоізоляцію завдяки великій кількості повітряних містків. Він не схильний до усадки, екологічно чистий, має високий рівень шумоізоляції, легкий (не вимагає посиленого фундаменту), стійкий до температурних коливань та процесів розморожування і заморожування, має низький рівень горючості (не сприяє поширенню вогню). Крім того, арболіт, як і дерево, має «дихаючі» властивості, що сприяє утворенню найбільш природного мікроклімату у вашому будинку.
Товщина стіни, яка складається з двох рядів бруса та шару арболіту, становить 300 мм. Така тришарова конструкція стіни забезпечує подвійний захист від холоду і протягів. Ці стіни не лише ефективно утримують тепло всередині будинку, але й дозволяють економити на опаленні. Товщина стін утепленого будинку відповідає встановленим нормам теплопередачі. Ця система бруса з утеплювачем еквівалентна за теплопровідністю товщині цільної соснового колоди в 517 мм.
Важливо відзначити, що будинки з подвійного профільованого брусу відрізняються невеликою питомою вагою, що дозволяє уникнути необхідності в масивному фундаменті. Такий будинок можна ставити на полегшеному стрічковому фундаменті чи навіть на пальовій основі. Як бачимо, перед встановленням будиночку майстрами «Домінант», клієнт потурбувався про основу і підготував бетонний фундамент.
Будинки з подвійного брусу з утепленням вражають своєю функціональністю. Подвійний брус забезпечує також великий рівень звукоізоляції, а його конструкція забезпечує стійкість до землетрусів та деформацій. Ці будинки не тільки мають доступну вартість через використання брусу розміру 60х150 мм, але і є екологічно чистими, оскільки їх можна побудувати без використання клею та хімічних речовин. Звісно, такі проекти мають також і свої обмеження. Їхня геометрія визначається рівними лініями, тож для тих, хто шукає більш округлі обриси, цей матеріал може не підходити. Також слід пам'ятати, що, як і будь-який дерев'яний будинок, вони потребують системного догляду та обробки антисептиком, воском або фарбою.
З вищенаведеної інформації, бачимо, що будинок з подвійного брусу та утепленням відрізняється надійністю, теплом і затишком, гарантуючи сімейний комфорт на тривалий час. Неперевершена атмосфера дерев'яної конструкції, висока теплоізоляція, природна привабливість дерева, легкість у догляді та доступна вартість роблять проекти з подвійного утепленого брусу дедалі популярнішими серед наших клієнтів!




















