Зателефонуйте мені
Фаїна2 №1
Фаїна2 №2
Фаїна2 №3
Фаїна2 №4
Фаїна2 №5
Фаїна2 №6
Фаїна2 №7
Фаїна2 №8
Фаїна2 №9
Фаїна2 №10
Фаїна2 №1
Фаїна2 №2
Фаїна2 №3
Фаїна2 №4
Фаїна2 №5
Фаїна2 №6
Фаїна2 №7
Фаїна2 №8
Фаїна2 №9
Фаїна2 №10
Фаїна2 №1
Фаїна2 №1 Фаїна2 №2 Фаїна2 №3 Фаїна2 №4 Фаїна2 №5 Фаїна2 №6 Фаїна2 №7 Фаїна2 №8 Фаїна2 №9 Фаїна2 №10

Фаїна2

266 574,00 ₴
Оциліндрована лазня 4х8,5 м з навісом - «Фаїна2»
Розмір брусу
  • Оциліндрований 160
  • Оциліндрований 180
  • Оциліндрований 200
  • Оциліндрований 220
  • Профільований 60
  • Профільований 150
  • Профільований 200
  • Подвійний 300
  • Клеєний 120
  • Клеєний 180
Кількість поверхів
1
Площа
34
Ширина
4
Довжина
8.5
Садові та господарські споруди
Бані
Бані з оциліндрованого брусу
 

(Що входить в ціну)

Що входить в базову комплектацію

  • комплект стін;
  • комплект крокв;
  • комплект балок перекриття;
  • утеплювач міжвінцевий;
  • антисептик (антисептування всього матеріалу);
  • дубові нагеля;
  • кріпильні материали (саморізи, усадкові болти, анкера, кріпильні пластини);
  • гідроізоляція;
  • вогнебіозахист (обробка деревини засобом І групи вогнезахисної ефективності)

Проект лазні «Фаїна2» з навісом

Розкішний зруб колодчастої лазні «Фаїна2» є варіацією готового проекту «Фаїна». Порівнюючи обидва проекти, бачимо, що «Фаїна2» доповнена затишним навісом, де можна облаштувати терасу для приємного дозвілля після парної. Взагалі, якщо ви оберете таку модель споруди лазні, організація цікавого дозвілля для себе й своїх друзів більше не буде для вас проблемою. Приваблива та функціональна банька привнесе затишок на вашу присадибну територію і стане вишуканою прикрасою ділянки.

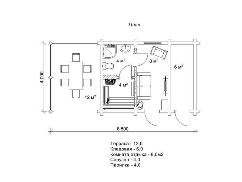
Планування оциліндрованої лазні «Фаїна2» 4х8,5 м

Параметри споруди за проектом «Фаїна2» 4 на 8,5 м включають набір банних приміщень, комору і терасу. Можна сказати, що це більше сімейна, ніж комерційна банька, з огляду на мінімальні розміри парилки і помивочної - по 4 м2 кожне приміщення. У передпокої площею 8 м2 зручно буде зняти і залишити речі перед банними процедурами, а ось відпочивати після них зручно буде під навісом 12 м2. А господарське приміщення площею 6 м допоможе зберігати дрова або інший інвентар. Адже у вас може бути встановлена ​​електросауна, яку дровами топити не знадобитися. Великою перевагою придбання дерев’яних конструкцій в «Домінант» є індивідуальний підхід. Адже ми пропонуємо проект «Фаїна2» в базовій комплектації, після виконання якої замовник може оснащувати оциліндрований зруб лазні на свій смак і бюджет.

Виготовлення та збирання оциліндрованої лазні «Фаїна2»

Проект лазні з навісом «Фаїна2» передбачає оптимальний набір приміщень для лазні та комфортного відпочинку на природі. Ідея поставити таку баньку біля свого котеджу або на дачі припаде до душі навіть найвимогливішому господареві. Адже він отримує постійний доступ до цілющих парних процедур, які добре знімають втому і нервозність, наповнюючи спокоєм і благодаттю. Крім того, при виборі проекту лазні «Фаїна2» відпадає необхідність в будівництві окремої альтанки. Тераса під навісом баньки «Фаїна2» прекрасно впорається з цією функцією. Завдяки своїм компактним розмірам, баньку можна встановити навіть на маленькій території, і вона відмінно доповнить основне житлове приміщення на заміській ділянці. За ціною, вказаною на цій сторінці під картинками проекту, можна замовити виготовлення оциліндрованої лазні «Фаїна2» і її збірку на підготовлений заздалегідь фундамент.

Кількість поверхів
1
Площа
34
Ширина
4
Довжина
8.5
Садові та господарські споруди
Бані
Бані з оциліндрованого брусу

Базова комплектація:
(Що входить в ціну)

Що входить в базову комплектацію

  • комплект стін;
  • комплект крокв;
  • комплект балок перекриття;
  • утеплювач міжвінцевий;
  • антисептик (антисептування всього матеріалу);
  • дубові нагеля;
  • кріпильні материали (саморізи, усадкові болти, анкера, кріпильні пластини);
  • гідроізоляція;
  • вогнебіозахист (обробка деревини засобом І групи вогнезахисної ефективності)

128790 грн.

Дах (комплектність):

  • Рейка 100*25мм (cосна)
  • Контрейка 50*25мм (сосна)
  • Металочерепиця МОНТЕРРЕЙ (Польща) 0,45мм
  • Коник прямий
  • Планка примикання
  • Лобова (декоративна) планка
  • Вітровая планка
  • Яндола
  • Капельник (Карнизна планка)
  • Ущільнювач універсальный
  • Саморізи ОС 4.8х35
  • Фарба-спрей
  • Гідробар'єр
  • Монтаж

17540 грн.

Вікна (комплектність):

  • Вікно VEKA 58, колір білий 10
  • Імпости вертикальні: 1 x 102103
  • Скління: СПО, 24мм, (Rсп=0.36)*
  • Тип фурнітури: Activpilot поворотно-відкидна, колір білий
  • Підбір спеціальний: Activ микровентиляція; Activ 2-функц. механ.
  • Моск.сітка: МС 3
  • Підвіконня: ВМ 110мм, колір білий
  • Підвіконня: ПВ ПВХ 150, заглушки: 600мм, колір білий
  • Монтаж

83600 грн.

Двері (комплектність):

  • Полотно
  • Коробка
  • Лиштва
  • Карниз
  • Фарбування
  • Скло
  • Фурнітура
  • Врізка фурнітуры
  • Монтаж

173600 грн.

Фарбування (комплектність):

  • Шліфування торців
  • Тришарове покриття ефективним деревозахисним засобом на базі низькомолекулярної алкідної смоли методом розпилення.

Параметри забудови

  • Кількість поверхів: 1
  • Площа: 34

Розмір забудови

  • Ширина: 4
  • Довжина: 8.5

Перший поверх

тераса (м²)12,0
кладова (м²)6,0
кімната відпочинку (м²)8,0
санвузол (м²)4,0
парилка (м²)4,0

Оциліндрований брус

Оциліндрований брус є найбільш оптимальним і поширеним матеріалом для будівництва дерев`яних будинків і бань, бесідок, альтанок, різноманітних садових меблів, дерев`яних конструкцій будь-яких видів. Дерев`яні будинки з оциліндрованого брусу відрізняються красою, всередині такого будинку завжди відчувається особлива затишна атмосфера.

Читати далі...

Профільований брус

Найсучаснішим і високотехнологічним будівельним матеріалом в дерев`яному будівництві на сьогоднішній день є профільований брус. Для виробництва профільованого брусу, звичайному дерев`яному брусу на спеціальному деревообробному обладнанні надається певний профіль.

Читати далі...

Подвійний брус з утепленням

Головна ідея застосування подвійного бруса полягала в досягненні енергоефективності житла. Над проектуванням енергозберігаючих будинків працюють провідні інженери та архітектори в різних країнах світу, запропонована фінами технологія подвійного бруса дає можливість звести до мінімуму тепловтрати будинку, а також об`єднує переваги будівництва дерев`яного будинку з економічністю споруди.

Читати далі...

Клеєний брус

Клеєний брус принципово відрізняється від інших типів колод багатошаровістю. Така структура робить цей дерев’яний матеріал надміцним і витривалим.

Читати далі...

Каркасні конструкції

Каркасні конструкції виготовляються на власних виробничих потужностях компанії «Домінант», з використанням сучасних деревообробних станків. Імпортне, високоточне обладнання дозволяє нам високоякісно виконувати свою роботу. Каркаси складаються зі струганих, ретельно висушених балок 150х50 мм (сосна першого сорту). Ці балки застосовуються для зовнішніх каркасів.

Читати далі...

Немає відгуків

Переглянуті товари

16 інших товарів в цій категорії:

Товар додано для порівняння.