Еліза
- Кількість поверхів
- 1
- Площа
- 59.46
- Ширина
- 8.3
- Довжина
- 7.8
- Садові та господарські споруди
- Бані
Бані з оциліндрованого брусу
(Що входить в ціну)
- комплект стін;
- комплект крокв;
- комплект балок перекриття;
- утеплювач міжвінцевий;
- антисептик (антисептування всього матеріалу);
- дубові нагеля;
- кріпильні материали (саморізи, усадкові болти, анкера, кріпильні пластини);
- гідроізоляція;
- вогнебіозахист (обробка деревини засобом І групи вогнезахисної ефективності)
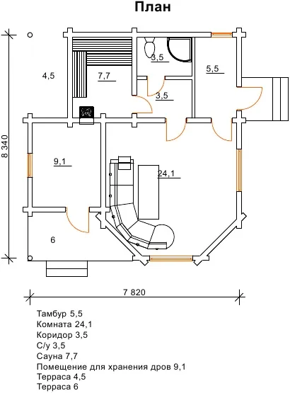
Пропонуємо вам простий і в той же час функціональний проект лазні, в якому передбачено класичний набір приміщень: тамбур, кімната відпочинку, парилка, санвузол. Особливістю лазні Еліза dominant-wood.com.ua/uk/proekty/854-eliza є додатковий вихід на вулицю, з парилки через тамбур, де можна насолодитися свіжим повітрям після банних процедур. Ця світла споруда, з невеликою кількістю вікон і двома терасами, може бути частиною готельного комплексу або бази відпочинку, а також виступати самостійною одиницею на дачній ділянці або функціонувати як комерційний проект. У будь-якому випадку, вона містка і продумана. На її території зручно робити барбекю і спочивати на дивані в розслабленій позі так, як тераси достатнього розміру, а їх кількість дозволяє людям, які прагнуть до усамітнення, відокремитися від галасливої юрби, не турбуючи при цьому інших.
Усередині будівля не така проста і прямокутна, як зовні. Чого тільки варта одна кімната відпочинку, яка за формою є багатокутною, що візуально збільшує її. Приміщення для лазні розміщені по контуру і містять виходи і переходи, зручні саме для банного комплексу. Така лазня, як дворянська панянка, буде прикрасою вашого двору.
Еліза dominant-wood.com.ua/uk/proekty/854-eliza - на вигляд пряма і проста, усередині відкривається нам як тонка і душевна натура. Проект дивує і радує одночасно. Атмосфера дерев’яної лазні завжди незабутня. Аромати масел і трав, сухого листя віника - все це створює залежність від цих відчуттів і змушує пережити їх знову. Бути власником такої баньки з бруса стане насолодою для будь-якої людини.
- Кількість поверхів
- 1
- Площа
- 59.46
- Ширина
- 8.3
- Довжина
- 7.8
- Садові та господарські споруди
- Бані
Бані з оциліндрованого брусу
Базова комплектація:
(Що входить в ціну)
- комплект стін;
- комплект крокв;
- комплект балок перекриття;
- утеплювач міжвінцевий;
- антисептик (антисептування всього матеріалу);
- дубові нагеля;
- кріпильні материали (саморізи, усадкові болти, анкера, кріпильні пластини);
- гідроізоляція;
- вогнебіозахист (обробка деревини засобом І групи вогнезахисної ефективності)
235710 грн.
Дах (комплектність):
- Рейка 100*25мм (cосна)
- Контрейка 50*25мм (сосна)
- Металочерепиця МОНТЕРРЕЙ (Польща) 0,45мм
- Коник прямий
- Планка примикання
- Лобова (декоративна) планка
- Вітровая планка
- Яндола
- Капельник (Карнизна планка)
- Ущільнювач універсальный
- Саморізи ОС 4.8х35
- Фарба-спрей
- Гідробар'єр
- Монтаж
105240 грн.
Вікна (комплектність):
- Вікно VEKA 58, колір білий 10
- Імпости вертикальні: 1 x 102103
- Скління: СПО, 24мм, (Rсп=0.36)*
- Тип фурнітури: Activpilot поворотно-відкидна, колір білий
- Підбір спеціальний: Activ микровентиляція; Activ 2-функц. механ.
- Моск.сітка: МС 3
- Підвіконня: ВМ 110мм, колір білий
- Підвіконня: ПВ ПВХ 150, заглушки: 600мм, колір білий
- Монтаж
0 грн.
Двері (комплектність):
- Полотно
- Коробка
- Лиштва
- Карниз
- Фарбування
- Скло
- Фурнітура
- Врізка фурнітуры
- Монтаж
64232 грн.
Фарбування (комплектність):
- Шліфування торців
- Тришарове покриття ефективним деревозахисним засобом на базі низькомолекулярної алкідної смоли методом розпилення.
Оциліндрований брус
Оциліндрований брус є найбільш оптимальним і поширеним матеріалом для будівництва дерев`яних будинків і бань, бесідок, альтанок, різноманітних садових меблів, дерев`яних конструкцій будь-яких видів. Дерев`яні будинки з оциліндрованого брусу відрізняються красою, всередині такого будинку завжди відчувається особлива затишна атмосфера.
Профільований брус
Найсучаснішим і високотехнологічним будівельним матеріалом в дерев`яному будівництві на сьогоднішній день є профільований брус. Для виробництва профільованого брусу, звичайному дерев`яному брусу на спеціальному деревообробному обладнанні надається певний профіль.
Подвійний брус з утепленням
Головна ідея застосування подвійного бруса полягала в досягненні енергоефективності житла. Над проектуванням енергозберігаючих будинків працюють провідні інженери та архітектори в різних країнах світу, запропонована фінами технологія подвійного бруса дає можливість звести до мінімуму тепловтрати будинку, а також об`єднує переваги будівництва дерев`яного будинку з економічністю споруди.
Клеєний брус
Клеєний брус принципово відрізняється від інших типів колод багатошаровістю. Така структура робить цей дерев’яний матеріал надміцним і витривалим.
Каркасні конструкції
Каркасні конструкції виготовляються на власних виробничих потужностях компанії «Домінант», з використанням сучасних деревообробних станків. Імпортне, високоточне обладнання дозволяє нам високоякісно виконувати свою роботу. Каркаси складаються зі струганих, ретельно висушених балок 150х50 мм (сосна першого сорту). Ці балки застосовуються для зовнішніх каркасів.










