Мольфар
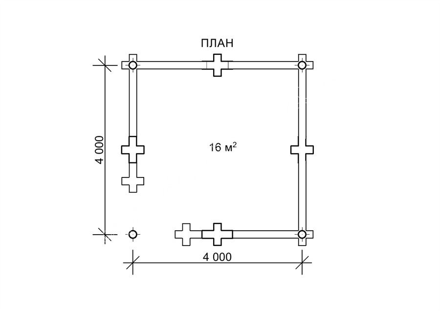
- Кількість поверхів
- 1
- Площа
- 16
- Ширина
- 4
- Довжина
- 4
- Садові та господарські споруди
- Альтанки
- Форми бесідок
- Квадратні бесідки
- Розміри бесідок
- 4 на 4
(Що входить в ціну)
- комплект стін;
- комплект крокв;
- комплект балок перекриття;
- утеплювач міжвінцевий;
- антисептик (антисептування всього матеріалу);
- дубові нагеля;
- кріпильні материали (саморізи, усадкові болти, анкера, кріпильні пластини);
- гідроізоляція;
- вогнебіозахист (обробка деревини засобом І групи вогнезахисної ефективності)
Відмінна можливість облагородити і зробити садову ділянку затишнішою - це встановити альтанку Мольфар. Пропонований проект є дуже легкою конструкцією, яка стане потаємним куточком і тінистим притулком від сонця в спекотний день. Альтанка Мольфар залишає відчуття легкості, теплоти літа і краси вечірнього зоряного неба. Витончені, округлі форми альтанки створені завдяки використанню в конструкції оциліндрованого бруса: dominant-wood.com.ua/uk/content/9-otsilindrovana-koloda, який виробляється на власному виробництві підприємства «Домінант».Альтанка Мольфар швидко встановлюється, недорого коштує і легко експлуатується, не вимагаючи дорогої обробки і ремонту. Відкрита альтанка 4 на 4 м особливо вишукано оформить мальовниче місце, звідки відкривається гарний вид.
Мольфар - цікавий варіант оглядового майданчика. Місткість альтанки дозволить облаштувати її при бажанні зручними садовими меблями, можна також прикрасити альтанку ніжними, повітряними фіранками і тоді Мольфар дійсно перетвориться на чарівне місце. Альтанка має квадратну форму, завдяки чому всередині можна поставити круглий столик, лавки або стільці і запросити друзів на застілля. Якщо ви живете у власному заміському будинку або часто проводите час на дачі, дерев’яна альтанка в саду допоможе створити надзвичайно затишну атмосферу на вашій ділянці.
Проект елегантної альтанки Мольфар з дерева від компанії «Домінант» dominant-wood.com.ua/uk/proekty/754-molfar вишукано прикрасить будь-яку місцевість і стане хорошим місцем для пікніків на природі.
- Кількість поверхів
- 1
- Площа
- 16
- Ширина
- 4
- Довжина
- 4
- Садові та господарські споруди
- Альтанки
- Форми бесідок
- Квадратні бесідки
- Розміри бесідок
- 4 на 4
Базова комплектація:
(Що входить в ціну)
- комплект стін;
- комплект крокв;
- комплект балок перекриття;
- утеплювач міжвінцевий;
- антисептик (антисептування всього матеріалу);
- дубові нагеля;
- кріпильні материали (саморізи, усадкові болти, анкера, кріпильні пластини);
- гідроізоляція;
- вогнебіозахист (обробка деревини засобом І групи вогнезахисної ефективності)
72900 грн.
Дах (комплектність):
- Рейка 100*25мм (cосна)
- Контрейка 50*25мм (сосна)
- Металочерепиця МОНТЕРРЕЙ (Польща) 0,45мм
- Коник прямий
- Планка примикання
- Лобова (декоративна) планка
- Вітровая планка
- Яндола
- Капельник (Карнизна планка)
- Ущільнювач універсальный
- Саморізи ОС 4.8х35
- Фарба-спрей
- Гідробар'єр
- Монтаж
0 грн.
Вікна (комплектність):
- Вікно VEKA 58, колір білий 10
- Імпости вертикальні: 1 x 102103
- Скління: СПО, 24мм, (Rсп=0.36)*
- Тип фурнітури: Activpilot поворотно-відкидна, колір білий
- Підбір спеціальний: Activ микровентиляція; Activ 2-функц. механ.
- Моск.сітка: МС 3
- Підвіконня: ВМ 110мм, колір білий
- Підвіконня: ПВ ПВХ 150, заглушки: 600мм, колір білий
- Монтаж
0 грн.
Двері (комплектність):
- Полотно
- Коробка
- Лиштва
- Карниз
- Фарбування
- Скло
- Фурнітура
- Врізка фурнітуры
- Монтаж
46004 грн.
Фарбування (комплектність):
- Шліфування торців
- Тришарове покриття ефективним деревозахисним засобом на базі низькомолекулярної алкідної смоли методом розпилення.
Оциліндрований брус
Оциліндрований брус є найбільш оптимальним і поширеним матеріалом для будівництва дерев`яних будинків і бань, бесідок, альтанок, різноманітних садових меблів, дерев`яних конструкцій будь-яких видів. Дерев`яні будинки з оциліндрованого брусу відрізняються красою, всередині такого будинку завжди відчувається особлива затишна атмосфера.
Профільований брус
Найсучаснішим і високотехнологічним будівельним матеріалом в дерев`яному будівництві на сьогоднішній день є профільований брус. Для виробництва профільованого брусу, звичайному дерев`яному брусу на спеціальному деревообробному обладнанні надається певний профіль.
Подвійний брус з утепленням
Головна ідея застосування подвійного бруса полягала в досягненні енергоефективності житла. Над проектуванням енергозберігаючих будинків працюють провідні інженери та архітектори в різних країнах світу, запропонована фінами технологія подвійного бруса дає можливість звести до мінімуму тепловтрати будинку, а також об`єднує переваги будівництва дерев`яного будинку з економічністю споруди.
Клеєний брус
Клеєний брус принципово відрізняється від інших типів колод багатошаровістю. Така структура робить цей дерев’яний матеріал надміцним і витривалим.
Каркасні конструкції
Каркасні конструкції виготовляються на власних виробничих потужностях компанії «Домінант», з використанням сучасних деревообробних станків. Імпортне, високоточне обладнання дозволяє нам високоякісно виконувати свою роботу. Каркаси складаються зі струганих, ретельно висушених балок 150х50 мм (сосна першого сорту). Ці балки застосовуються для зовнішніх каркасів.










