Насолода
- Кількість поверхів
- 2
- Площа
- 152
- Ширина
- 9
- Довжина
- 12
- Будинки і житлові будови
- Дачі
Котеджі - Кількість кімнат
- Трикімнатні будинки
- Особливості будинків
- Будинки з котельнею
Будинки з мансардою
Будинки з терасою
Будинки зі сходами - Кількість поверхів споруди
- Двоповерхові будинки
- Будинки з брусу
- Будинки з оциліндрованого брусу
(Що входить в ціну)
- комплект стін;
- комплект крокв;
- комплект балок перекриття;
- утеплювач міжвінцевий;
- антисептик (антисептування всього матеріалу);
- дубові нагеля;
- кріпильні материали (саморізи, усадкові болти, анкера, кріпильні пластини);
- гідроізоляція;
- вогнебіозахист (обробка деревини засобом І групи вогнезахисної ефективності)
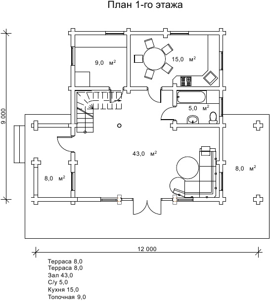
Пропонуємо вам двоповерховий маєток з брусу для постійного проживання, а також рекомендуємо такий котедж в якості гарного дачного варіанту. В такому красивому, світлому будинку з великими вікнами, повітряними літніми терасами і романтичною мансардою повсякденне життя буде приносити тільки задоволення і бажання повертатися в цей будинок знову і знову. Екологічно чистий сосновий брус нашого власного виробництва, з якого виконаний дерев’яний будинок Насолода стане запорукою здоров’я і гарного настрою всіх його домочадців. Проект Насолода виконаний в габаритах 9 на 12 м.
На першому поверсі будинку наші проектанти розташували дві тераси, зал площею 43 м², кухню, санвузол та топкові. Другий поверх маєтку включає хол, більярдну, дві спальні і санвузол. Внутрішнє планування передбачає багато простору, який відкриває цікаві можливості для креативного оформлення інтер’єру будинку з бруса. Про інтер’єр затишного заміського будинку докладніше читайте в нашій статті: dominant-wood.com.ua/uk/blog/statti/interjer. Багато цікавих фото інтер’єру будинку з брусу представлено в нашій фотогалереї: dominant-wood.com.ua/uk/content/17-inter-eri.
Фешенебельний будинок з бруса, реалізований за проектом Насолода, оптимально підходить для комфортного облаштування життя за містом. Найвимогливіший замовник знайде в цьому проекті все, що відповідає його уявленням про будинок своєї мрії: красу, простір, зручне планування, екологічність та ефективну експлуатацію.
Будівельна компанія «Домінант» виробляє оциліндрований брус на власному підприємстві і здійснить будівництво будинку Насолода за вигідною ціною без посередників, як фірма - виробник. Всі наші переваги читайте в розділі «Продукція»: dominant-wood.com.ua/uk/content/6-produktciya і звертайтеся до нас прямо зараз!
- Кількість поверхів
- 2
- Площа
- 152
- Ширина
- 9
- Довжина
- 12
- Будинки і житлові будови
- Дачі
Котеджі - Кількість кімнат
- Трикімнатні будинки
- Особливості будинків
- Будинки з котельнею
Будинки з мансардою
Будинки з терасою
Будинки зі сходами - Кількість поверхів споруди
- Двоповерхові будинки
- Будинки з брусу
- Будинки з оциліндрованого брусу
Базова комплектація:
(Що входить в ціну)
- комплект стін;
- комплект крокв;
- комплект балок перекриття;
- утеплювач міжвінцевий;
- антисептик (антисептування всього матеріалу);
- дубові нагеля;
- кріпильні материали (саморізи, усадкові болти, анкера, кріпильні пластини);
- гідроізоляція;
- вогнебіозахист (обробка деревини засобом І групи вогнезахисної ефективності)
396090 грн.
Дах (комплектність):
- Рейка 100*25мм (cосна)
- Контрейка 50*25мм (сосна)
- Металочерепиця МОНТЕРРЕЙ (Польща) 0,45мм
- Коник прямий
- Планка примикання
- Лобова (декоративна) планка
- Вітровая планка
- Яндола
- Капельник (Карнизна планка)
- Ущільнювач універсальный
- Саморізи ОС 4.8х35
- Фарба-спрей
- Гідробар'єр
- Монтаж
561280 грн.
Вікна (комплектність):
- Вікно VEKA 58, колір білий 10
- Імпости вертикальні: 1 x 102103
- Скління: СПО, 24мм, (Rсп=0.36)*
- Тип фурнітури: Activpilot поворотно-відкидна, колір білий
- Підбір спеціальний: Activ микровентиляція; Activ 2-функц. механ.
- Моск.сітка: МС 3
- Підвіконня: ВМ 110мм, колір білий
- Підвіконня: ПВ ПВХ 150, заглушки: 600мм, колір білий
- Монтаж
438900 грн.
Двері (комплектність):
- Полотно
- Коробка
- Лиштва
- Карниз
- Фарбування
- Скло
- Фурнітура
- Врізка фурнітуры
- Монтаж
129332 грн.
Фарбування (комплектність):
- Шліфування торців
- Тришарове покриття ефективним деревозахисним засобом на базі низькомолекулярної алкідної смоли методом розпилення.
Оциліндрований брус
Оциліндрований брус є найбільш оптимальним і поширеним матеріалом для будівництва дерев`яних будинків і бань, бесідок, альтанок, різноманітних садових меблів, дерев`яних конструкцій будь-яких видів. Дерев`яні будинки з оциліндрованого брусу відрізняються красою, всередині такого будинку завжди відчувається особлива затишна атмосфера.
Профільований брус
Найсучаснішим і високотехнологічним будівельним матеріалом в дерев`яному будівництві на сьогоднішній день є профільований брус. Для виробництва профільованого брусу, звичайному дерев`яному брусу на спеціальному деревообробному обладнанні надається певний профіль.
Подвійний брус з утепленням
Головна ідея застосування подвійного бруса полягала в досягненні енергоефективності житла. Над проектуванням енергозберігаючих будинків працюють провідні інженери та архітектори в різних країнах світу, запропонована фінами технологія подвійного бруса дає можливість звести до мінімуму тепловтрати будинку, а також об`єднує переваги будівництва дерев`яного будинку з економічністю споруди.
Клеєний брус
Клеєний брус принципово відрізняється від інших типів колод багатошаровістю. Така структура робить цей дерев’яний матеріал надміцним і витривалим.
Каркасні конструкції
Каркасні конструкції виготовляються на власних виробничих потужностях компанії «Домінант», з використанням сучасних деревообробних станків. Імпортне, високоточне обладнання дозволяє нам високоякісно виконувати свою роботу. Каркаси складаються зі струганих, ретельно висушених балок 150х50 мм (сосна першого сорту). Ці балки застосовуються для зовнішніх каркасів.












