Іраміс
- Площа
- 85
- Ширина
- 6,3
- Довжина
- 7,5
- Садові та господарські споруди
- Бані
Бані з оциліндрованого брусу
(Що входить в ціну)
- комплект стін;
- комплект крокв;
- комплект балок перекриття;
- утеплювач міжвінцевий;
- антисептик (антисептування всього матеріалу);
- дубові нагеля;
- кріпильні материали (саморізи, усадкові болти, анкера, кріпильні пластини);
- гідроізоляція;
- вогнебіозахист (обробка деревини засобом І групи вогнезахисної ефективності)
Проект комерційної лазні 6,3 на 7,5 м «Іраміс»
Колоритна дерев'яна споруда під стиль класичного, колодчастого будиночку «Іраміс» пропонується нашою компанією у якості комерційного об’єкту – лазні. Такий мальовничий, майже казковий будиночок, чудово впишеться в будь-який відпочинковий комплекс або може слугувати самостійним комерційним об'єктом. Після детального огляду внутрішнього планування можливо, ви захочете придбати цей будинок як повноцінний дачний котедж, оскільки в ньому створені всі умови для комфортного проживання, ночівлі, цікавого дозвілля та паріння. Дерев'яний будинок «Іраміс», зроблений із соснового зрубу, обіцяє приносити безліч приємних моментів та сприяти зміцненню здоров'я завдяки цілющим банним процедурам.
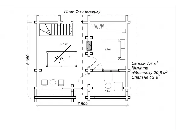
План комерційної лазні з великою парилкою на 8,5 м2
План лазні «Іраміс» включає перший поверх, невеличку зону відпочинку на ґанку та мансарду із затишним балконом. Основні зони банних процедур розташовані на першому поверсі, включаючи кімнату відпочинку, душову, санвузол та парилку. Мансардний поверх складається з одного великого приміщення, яке пропонується для облаштування більярдної і кімнати під спальню. Використання мансарди можна розглядати як ефективний спосіб економії будівельних матеріалів для створення повноцінного другого поверху, що не є необхідним для даного проекту лазні. Особливу увагу слід звернути на просторий розмір приміщення парної площею 8,5 м2, що призначене для паріння великою компанією.
Будівництво лазні «Іраміс» під ключ
Оциліндрована лазня, зроблена по проекту «Іраміс», ідеально підійде для побудови у готельному комплексі, на базі відпочинку, або може працювати як самостійний заклад. Наша будівельна компанія «Домінант» готова запропонувати повний цикл будівництва, включаючи оздоблення парного приміщення, що виконується нашим досвідченим підрядником. Вам залишиться лише насолоджуватися отриманим прибутком від проекту «Іраміс» та проводити корисні парні процедури. Не баріться, звертайтеся до нас прямо зараз за контактами на сайті або в чат консультанта, і ми з радістю реалізуємо всі ваші будівельні побажання на заміській ділянці!
- Площа
- 85
- Ширина
- 6,3
- Довжина
- 7,5
- Садові та господарські споруди
- Бані
Бані з оциліндрованого брусу
Базова комплектація:
(Що входить в ціну)
- комплект стін;
- комплект крокв;
- комплект балок перекриття;
- утеплювач міжвінцевий;
- антисептик (антисептування всього матеріалу);
- дубові нагеля;
- кріпильні материали (саморізи, усадкові болти, анкера, кріпильні пластини);
- гідроізоляція;
- вогнебіозахист (обробка деревини засобом І групи вогнезахисної ефективності)
80190 грн.
Дах (комплектність):
- Рейка 100*25мм (cосна)
- Контрейка 50*25мм (сосна)
- Металочерепиця МОНТЕРРЕЙ (Польща) 0,45мм
- Коник прямий
- Планка примикання
- Лобова (декоративна) планка
- Вітровая планка
- Яндола
- Капельник (Карнизна планка)
- Ущільнювач універсальный
- Саморізи ОС 4.8х35
- Фарба-спрей
- Гідробар'єр
- Монтаж
228020 грн.
Вікна (комплектність):
- Вікно VEKA 58, колір білий 10
- Імпости вертикальні: 1 x 102103
- Скління: СПО, 24мм, (Rсп=0.36)*
- Тип фурнітури: Activpilot поворотно-відкидна, колір білий
- Підбір спеціальний: Activ микровентиляція; Activ 2-функц. механ.
- Моск.сітка: МС 3
- Підвіконня: ВМ 110мм, колір білий
- Підвіконня: ПВ ПВХ 150, заглушки: 600мм, колір білий
- Монтаж
480700 грн.
Двері (комплектність):
- Полотно
- Коробка
- Лиштва
- Карниз
- Фарбування
- Скло
- Фурнітура
- Врізка фурнітуры
- Монтаж
132804 грн.
Фарбування (комплектність):
- Шліфування торців
- Тришарове покриття ефективним деревозахисним засобом на базі низькомолекулярної алкідної смоли методом розпилення.
Оциліндрований брус
Оциліндрований брус є найбільш оптимальним і поширеним матеріалом для будівництва дерев`яних будинків і бань, бесідок, альтанок, різноманітних садових меблів, дерев`яних конструкцій будь-яких видів. Дерев`яні будинки з оциліндрованого брусу відрізняються красою, всередині такого будинку завжди відчувається особлива затишна атмосфера.
Профільований брус
Найсучаснішим і високотехнологічним будівельним матеріалом в дерев`яному будівництві на сьогоднішній день є профільований брус. Для виробництва профільованого брусу, звичайному дерев`яному брусу на спеціальному деревообробному обладнанні надається певний профіль.
Подвійний брус з утепленням
Головна ідея застосування подвійного бруса полягала в досягненні енергоефективності житла. Над проектуванням енергозберігаючих будинків працюють провідні інженери та архітектори в різних країнах світу, запропонована фінами технологія подвійного бруса дає можливість звести до мінімуму тепловтрати будинку, а також об`єднує переваги будівництва дерев`яного будинку з економічністю споруди.
Клеєний брус
Клеєний брус принципово відрізняється від інших типів колод багатошаровістю. Така структура робить цей дерев’яний матеріал надміцним і витривалим.
Каркасні конструкції
Каркасні конструкції виготовляються на власних виробничих потужностях компанії «Домінант», з використанням сучасних деревообробних станків. Імпортне, високоточне обладнання дозволяє нам високоякісно виконувати свою роботу. Каркаси складаються зі струганих, ретельно висушених балок 150х50 мм (сосна першого сорту). Ці балки застосовуються для зовнішніх каркасів.




















