- Новини
- 0 вподобання
- 3228 покази
У процесі створення наших проектів ми піклуємося в першу чергу про надійність, комфорт, красу дерев'яних будинків і велику увагу приділяємо універсальності планування приміщень. Саме тому більшість з готових проектів компанії «Домінант» багатофункціональні в своєму застосуванні. Їх можна використовувати як для комерційної діяльності, так і в особистих потребах. Для прикладу розглянемо проект «Наутілус» - затишний, дерев'яний, будиночок 7 на 9 м2.
Мисливський дерев'яний будиночок за проектом «Наутілус»
Спочатку проект розглядався як мисливський будиночок. І зовсім не складно уявити таку будову десь на лісовій галявині. Господарям лісових угідь або лісникам буде зручно відпочити в такому будинку після полювання або робочих походів до лісу. Тут можна провести кілька днів в комфортній і затишній обстановці. Їдучи, господар зможе залишити тут в цілості й схоронності все своє мисливське спорядження. Відмінним варіантом проект «Наутілус» стане і в якості дачного будиночка. Таке застосування для нього вибрав наш новий замовник. Зараз проект знаходиться в селі Черкаські Тишки Харківської області.
Для будівництва взяли оциліндровану колоду діаметром 200 мм. Така товщина дерева дозволить використовувати будиночок з колод в будь-який сезон, адже завдяки високому рівню теплоізоляції всередині будиночка буде досить тепло і затишно навіть холодною зимою. Крім того, унікальна здатність деревини «дихати» забезпечує оптимальний рівень вологості всередині будинку. Щільно, практично герметично, укладені колоди з синтепоном між вінцями, захищають будівлю від попадання вологи і виникнення містків холоду. А відмінна звукоізоляція зрубу завтовшки 200 м позбавить вас від небажаного галасу. Ну і, звичайно, грамотно продумане внутрішнє планування проекту «Наутілус», безсумнівно, додає йому функціональності.
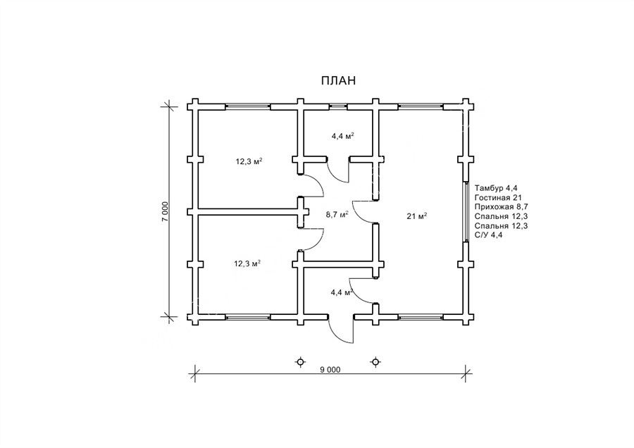
Планування мисливського будиночка «Наутілус»
У невеликому будиночку загальною площею 63,1 м2 є всі необхідні для комфортного проведення часу приміщення. На вході в будинок знаходиться невеликий тамбур площею 4,4 м2. Тут можна встановити шафи для верхнього одягу і взуття. З тамбура є вхід в простору вітальню розміром 21 м2. Тут можна влаштувати відмінне місце для сімейного відпочинку з великим, затишним диваном і телевізором. Для більшої функціональності будинку вітальню можна умовно розділити на дві частини, і поставити невелику кухню з обіднім столом. Величезним плюсом вітальні є наявність трьох вікон з різних сторін. У кімнаті завжди буде достатньо природного освітлення. Також в проекті «Наутілус» передбачено дві спальні по 12,3 м2 кожна. Абсолютно достатньо місця для приємного відпочинку, як дорослих, так і дітей. У будиночку є невеликий санвузол - 4,4 м2, і розділяються кімнати передпокоєм площею 8,7м2. У передпокої можна виділити невелику комору для зберігання різного інвентарю та припасів. В цілому, «Наутілус» надає всі умови, щоб гарно провести час в компанії сім'ї і друзів.
Переваги дерев'яного будинку «Наутілус» 7х9 м
Класичний будинок зі зрубу прямокутної форми з великою кількістю вікон виглядає легко і стильно. Високі стіни, світла колода в поєднанні з класичним двосхилим дахом і оригінальним ґанком ідеально «вписуються» в будь-який ландшафт. Потопаючи у літній, соковитої зелені або в оточенні теплих, осінніх фарб такий будиночок буде перлиною вашої ділянки. Побудувати проект «Наутілус» можна і поруч з маєтком в якості будиночка для гостей. Ідеальним проект «Наутілус» буде і в комерційному використанні. Купуючи таку споруду на оздоровчу базу відпочинку в горах або за містом, ви отримаєте ідеальну візуальну картинку, а ваші гості зможуть чудово відпочити. Ми впевнені, ваші клієнти запам'ятають такий відпочинок і неодмінно повернуться до вас.
Для будівництва будиночка «Наутілус», крім оциліндрованих колод, ви зможете вибрати і профільований брус будь-якої товщини. Будиночки з тонкого бруса відмінний варіант для сезонних курортів, наприклад на березі моря або живописного озера. Для будівництва своїх проектів ми використовуємо соснову деревину. Все дерево має відповідні сертифікати якості. Після закупівлі сировини, деревина проходить ретельну перевірку і обробку в цехах компанії. Ми самостійно профілюємо і сушимо весь будівельний матеріал. Саме тому будь-який із запропонованих на сайті готових проектів або проект, виконаний за індивідуальним замовленням, може бути реалізований за обраною вами технологією виробництва і будівництва, будь то оциліндрована колода, профільований або подвійний брус з утепленням. Ви можете використовувати проект «Наутілус» на свій розсуд, і ми гарантуємо, що ви переконаєтеся в практичності і довговічності нашого проекту, а також правильності свого вибору.
Не тільки проект «Наутілус» серед готових проектів нашої компанії настільки багатофункціональний. Будь-який з наших об'єктів може стати для вас комфортною дачею або літньою кухнею. Достатньо зателефонувати в наш офіс і викласти ваші побажання щодо будівництва. Продукція компанії «Домінант» представлена на українському ринку будівельних послуг вже більше 15 років. За цей час ми сформулювали основні принципи і умови нашої роботи. Ми знаємо, що можемо запропонувати своєму замовнику, які терміни будівництва і гарантія якості наших проектів. Наші фахівці на підставі переваг і побажань клієнта можуть створити абсолютно новий індивідуальний проект. У своїй роботі ми завжди впроваджуємо передові технології будівництва. Всі співробітники компанії «Домінант» - це висококваліфіковані фахівці, які професійно і відповідально виконують всі замовлення.














