- Новини
- 0 вподобання
- 542 покази
- Споруди «Домінант» в Україні, Індивідуальні проєкти
Індивідуальні проєкти завжди особливі. Коли людина придумує власну будівлю, вона ніби вкладає туди частинку себе. Саме тому альтанка, яку ми збудували в Чернігівської області, вийшла така оригінальна! За задумом клієнта вона поєднує одразу дві зони: простору восьмикутну терасу та затишний куточок із літньою кухнею. Сьогодні демонструємо вам, як виглядає пофарбована бесідка після завершення усіх фінішних робіт.
Познайомтесь з проєктом бесідки з кухнею
Індивідуальне проєктування - це варіант для тих, хто не тільки мріє про власну будівлю, а у кого вже є чітке бачення, власна ідея та розуміння того, який результат хочеться отримати. А наша задача - втілити це бачення у професійно виконаній конструкції, де кожна деталь буде продумана й реалізована якісно. Тож індивідуальна конструкція завжди володіє цікавими особливостями. Бесідку з кухнею ми зробили з оциліндрованих колод максимально можливого діаметру нашого виробництва 220 мм. Погодьтеся, що масштабні параметри павільйону зумовили вибір наймасивніших колод для його будівництва. Тільки для бортиків деінде застосовуються тонші колоди діаметром 160 мм.
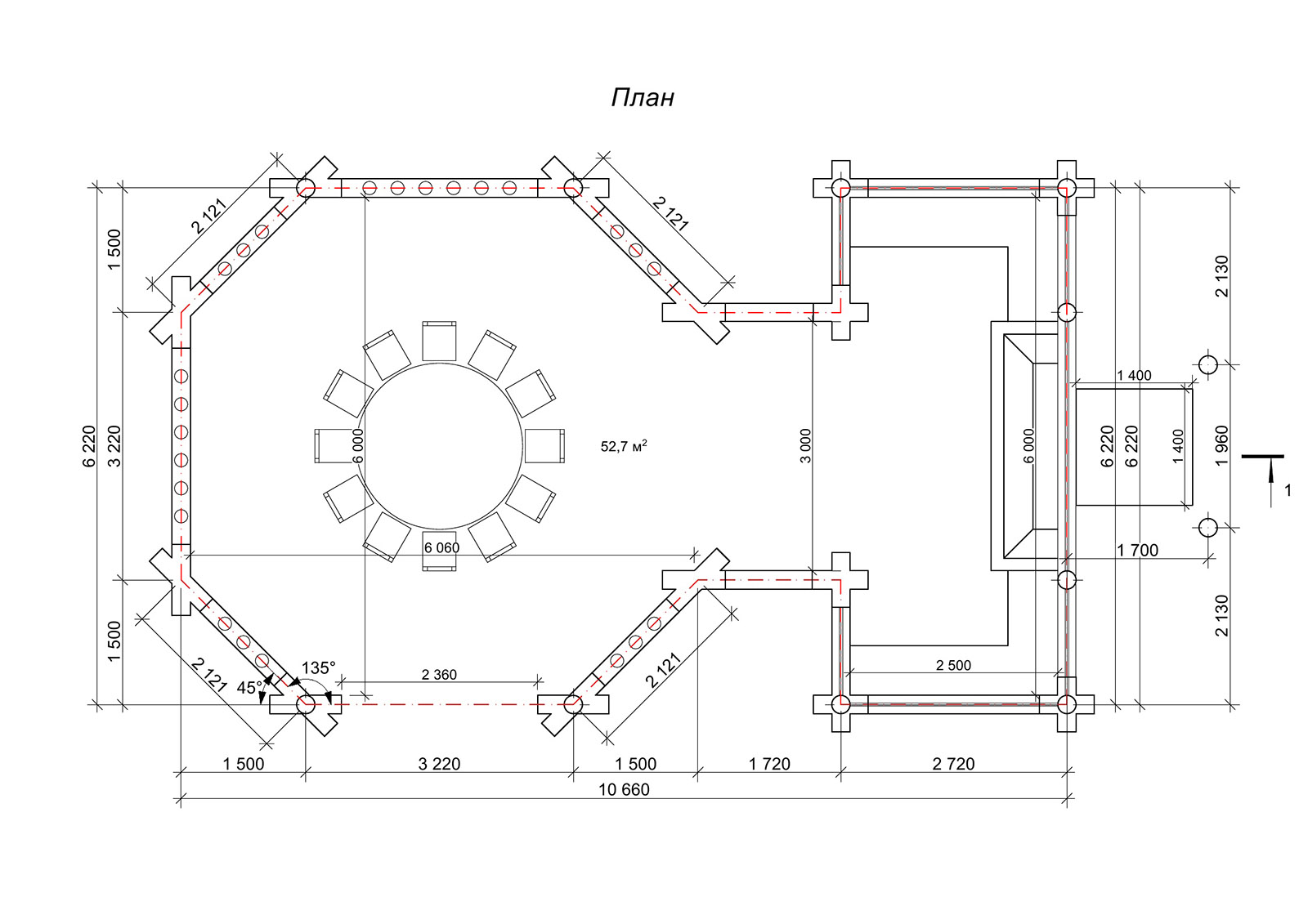
Павільйон складається з багатогранної тераси та прибудованої кухонної частини, займає площу 6,2×12,6 м і потребує достатньо місця на ділянці. Наш клієнт заздалегідь планував під свій павільйон простору територію, тож ми діяли виключно виходячи з його міркувань. Основа під таку будову має бути підготовленою до приїзду наших майстрів на монтаж: це може бути бетонна плита, монолітний майданчик або палі (геошурупи). Під легкі, максимально відкриті споруди альтанок достатньо просто заасфальтованого чи вимощеного плиткою майданчика. Також важливо заздалегідь передбачити підведення води й електрики. Якщо все це для вас не проблема, тоді сміливо обирайте дизайн, що вам до душі, як зробив наш замовник павільйону і довіряйте реалізацію професіоналам.
Розглядаючи план бесідки та оцінюючи її привабливий, нестандартний дизайн, відразу можна зрозуміти, що навряд чи хтось став би облаштовувати такий проєкт на велику кількість посадочних місць для приватного використання. Такі споруди будують здебільшого в комерційних цілях під бізнес. Уявіть, як приємно проводити тут вечори в колі сім’ї та друзів, влаштовувати святкування чи просто відпочивати на свіжому повітрі. Ця розкішна бесідка, що додатково оснащена кухнею, просто створена, щоб приваблювати багато гостей і приносити власнику гарний дохід. Проєкт дійсно надихає на інвестування в кращу якість життя. Добре спроектований простір не тільки відображає те, хто ви є і скільки заробляєте, але й покращує ваш повсякденний досвід і можливості.
Роботи по оздобленню бесідки
Обробка стін бесідки відбувалася у кілька послідовних етапів, і кожен з них важливий для захисту поверхні та привабливого вигляду дерев’яної конструкції. Першим кроком покриття дерев’яних поверхонь завжди є шліфування. За допомогою шліфувальних машин наші майстри готують чисту і гладку основу для нового захисного шару. Чому нового, тому що ми вже обробили антисептичним засобом кожну колоду конструкції шляхом занурення ще на виробництві. Ретельно ми описували всі етапи захисту деревини, що застосовуються в наших будівлях, в публікації «Важливо знати: як ми захищаємо зруби від пожежі». Якісне шліфування дозволяє деревині «дихати» і забезпечує рівномірне нанесення наступних матеріалів. Перед фарбуванням завжди роблять пробні викраски. Майстри наносять кілька відтінків фарби чи просочення на окремі дошки або невеликі ділянки стіни, щоб господар міг порівняти кольори й вибрати той, який найбільше до душі. Після затвердження відтінку розпочинається фарбування у кілька кроків. Спершу наноситься базовий шар - антисептичний або ґрунтовий склад, що глибоко просочує деревину й захищає її від вологи, сонця та шкідників. Наступні шари створюють декоративний ефект і водночас утворюють міцний захисний бар’єр. Саме завдяки такій послідовності поверхня отримує рівне, насичене й довговічне покриття, яке не лише прикрашає, а й надійно зберігає дерево.
Подивіться, як блискуче виглядає пофарбована альтанка! Стіни відтінку елегантного темного шоколаду, який чудово відтіняє деревний візерунок, пасують до кольору покрівельного покриття. Ефект від поєднання темно-шоколадних стін із яскраво світлими торцями дуже виразний і стильний. Саме таку комбінацію господар обрав ще на етапі пробних викрасок. Обрані кольорові рішення зробили дизайн бесідки більш «об’ємним» і архітектурно виразним. Темний відтінок додає солідності й шляхетності, підкреслює міцність і статусність будівлі. Світлі торці знімають надмірне «навантаження» темного кольору, слугуючи завершальним акцентом дизайну. Така комбінація виглядає водночас стримано і сучасно, а ще дуже виграшно під сонячними променями.
Гості завжди тягнуться туди, де приємна атмосфера: гарні, свіжі й акуратні ремонти притягують погляд і створюють відчуття затишку. Ніхто не захоче сидіти в старому, неохайному приміщенні, де все сиплеться й нагадує про занедбаність - люди обирають доглянуті місця, що викликають повагу й бажання залишитися довше. Свіжий дизайн для комерційних об’єктів має вирішальне значення: він формує перше враження, створює довіру та приваблює клієнтів ще до того, як вони скористалися послугами. Доглянуті, стильні простори підсвідомо асоціюються з якістю, турботою про відвідувачів та високим рівнем сервісу. Іншими словами, сучасний і охайний вигляд - це не просто декор, а реальний інструмент, що працює на репутацію і прибутковість бізнесу. Не відкладайте мрію - обирайте будівлю для бізнесу, адже у нас є що вам запропонувати! Довірте будівництво і оздоблення досвіченим майстрам «Домінант», щоб створити простір, який вабить клієнтів і надихає вас самих!












