- Новини
- 0 вподобання
- 3389 покази
Наша компанія завжди готова дивувати новими будівлями і йти назустріч клієнту, з огляду на всі його особисті вподобання і побажання. Комфортні і оригінальні, затишні і теплі будинки, які ми зводимо, популярні не тільки в нашій країні, а й за кордоном.
На даний момент наша виробничо-будівельна компанія займається будівництвом одноповерхового дерев'яного будиночка в Голландії (Kievit 12, 5111 HD Baarle-Nassau, Нідерланди) в парку Parc de Kievit
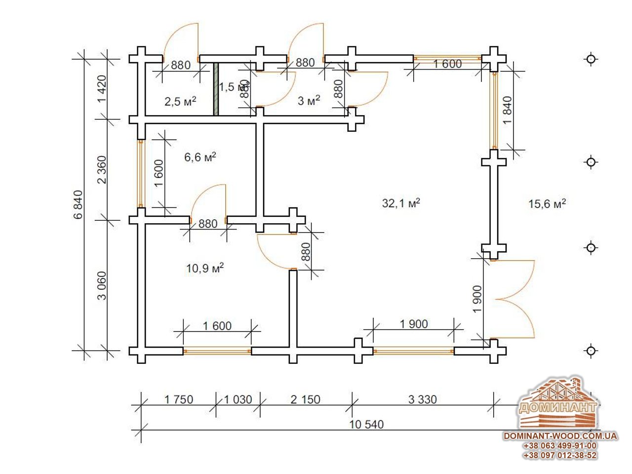
Будинок, який ми будуємо, призначений для надання в оренду туристам і відпочиваючим. У будівництві використовується натуральний екологічно чистий матеріал - оціліндрованний брус діаметром 180 мм. Цей матеріал дає не тільки прекрасну теплоізоляцію, але і дозволяє контролювати оптимальний рівень вологості без використання спеціального обладнання. Площа будинку складає 73 м2, параметри ширини і довжини - 6,8 х 10,5 м. Будинок має зал з кухнею, спальню, ванну кімнату, окремий санвузол, тамбур і відкриту терасу. Наша компанія виконує повністю всі роботи: не тільки з будівництва будинку, але і із влаштування підлог, стель, покрівлі, а також по установці дверей і вікон в готової будівлі.
Цікавим фактом є те, що даний об'єкт знаходиться практично на кордоні між Голландією і Бельгією, тому її зможуть відвідати гості як з однієї, так і з іншої країни.
Будинки з оциліндрованих колод мають високі експлуатаційні характеристики, менше деформуються з часом, і для них часто не потрібна додаткова зовнішня обробка. Такі будинки гарні самі по собі, а з огляду на їх екологічність, можна з упевненістю сказати, що це найкращий варіант для будинків відпочинку.
У найближчих планах нашої компанії будівництво будиночка в Іспанії, куди вже був відправлений матеріал. Детальніше про це ви дізнаєтеся вже в наступних публікаціях.
















